Крепление стартового профиля к пластиковому окну. Классификация стартовых конструкций
- Крепление стартового профиля к пластиковому окну. Классификация стартовых конструкций
- На что крепить стартовый профиль. Стартовый профиль
- Саморезы для стартового профиля. Шурупы и саморезы, используемые в производстве ПВХ окон и дверей
- Как крепить п-образный профиль. Для создания каркасов
- Профиль для откосов пластиковых окон. Удобная отделка откосов с f профилем пвх
Крепление стартового профиля к пластиковому окну. Классификация стартовых конструкций
Стартовые формы отличаются друг от друга по форме сечения. Пластиковые откосы устанавливают по аналогии с конструкторами. Все детали нужно максимально унифицировать , чтобы конструкция получилась функциональный. Каждая ее часть имеет свою функцию и назначение. Стартовые профили для откосов используются с целью крепежа пластиковых панелей к несущему основанию и их стыковки друг с другом. Изготавливаются они как из ПВХ, так и их металла.
В зависимости от конструкции, они могут быть предназначены для крепления элементов декора разными методами и в разных частях проема. Обозначаются они буквами. На рынке представлены такие их разновидности:
- I -профили;
- F;
- L;
- П.
I-профиль имеет сечение в форме буквы I — одной центральной полочки и двух боковых. Его устанавливают непосредственно на стену и прикрепляют к нему гипсокартонные или пластиковые откосы. Благодаря особой форме , такую деталь можно прикрепить к проему почти в любом его положении.
Наиболее распространенным видом пластиковых стартовых профилей является тот, что выполнен в форме буквы F. Он оснащен одной длинной полочкой и двумя короткими, которые примыкают к длинной с одного края.
Посредством таких форм можно устанавливать откосы из различных материалов. Например, сэндвич-панелей, ПВХ, композитных материалов на основе дерева или же гипсокартонного листа.
Конструкция такого профиля позволяет ему выполнять сразу две функции:
- декоративную;
- крепежную.
Благодаря второй узкой полочке можно закрыть стык облицовочной панели без использования шпаклевки, декоративных уголков и других дополнительных элементов .
Посредством L -профиля можно установить стандартные пластиковые или гипсокартонные откосы с толщиной в 10 мм. Сечение включает три полочки — одну широкую и две узкие. Крепить его следует перпендикулярно оконной плоскости, при этом широкая полочка будет прилегать к стене проема, узкая — к оконной раме, а противоположная длинной узкая полочка используется как маскировка стыковочного шва в месте прилегания панели. А П-профиль по сфере использования и конструкции напоминает предыдущий, однако разница заключается в том, что такая деталь имеет две широкие полочки, которые соединены узкой. С его помощью можно закрывать неровные или широкие швы.
На что крепить стартовый профиль. Стартовый профиль
Для сопряжения пластиковых панелей с окном используется специальный П-образный элемент стартовый профиль . Старт крепится к раме окна, а панель втыкается в него задним краем. Существуют различные виды стартового профиля, в том числе специально разработанные для пластиковых окон ( старт-клипса ). Такой стартовый профиль имеет дополнительную грань с защёлкой, которой крепится к боковому пазу оконной рамы:
Чтобы не утруждать себя поисками старта , соответствующего профилю вашего окна, воспользуйтесь универсальным ( L-старт ), который изображён на следующем рисунке:
Он прекрасно стыкуется и с пластиковыми панелями для отделки откосов, и с сэндвич-панелями, и с гипсокартоном толщиной 10 мм. Крепится такой L-старт к окну вдоль края при помощи саморезов с шагом между ними примерно 150 мм. Лучше всего подходят саморезы с плоским основанием головки и со сверлом на конце, размером 3,5×9,5 или 3,5×11:
Если вы будете использовать старт-клипсу , то должны установить его на раму окна. После защёлкивания в паз такой старт необходимо дополнительно прикрутить саморезами к торцам окна, чтобы исключить возможность его выпадения из паза при установке панелей. Можно обойтись и без саморезов, растянув установку окна на два дня: в первый день смонтировать окно и запенить зазоры, во второй день — заняться отделкой откосов. Высохшая пена надёжно прижмёт стартовый профиль к раме и не даст ему выпасть при установке панелей.
Следует обратить внимание на следующий момент: L-старт конструктивно рассчитан на небольшой угол разворота панелей, поэтому хорошо подходит при небольших монтажных зазорах между рамой и проёмом, когда не требуется большой разворот откосов (рассвет). Что касается защелкивающегося старта, то у некоторых производителей он сделан с заметным разворотом и его целесообразно использовать при больших углах рассвета откосов, например, в случае больших монтажных зазоров.
Остановимся на универсальном L-старте . В первую очередь прикручивается верхний стартовый профиль по всей ширине рамы:
Затем прикручиваются боковые старты (пристыковываются к верхнему снизу):
Узкая полочка профиля должна быть обращена внутрь окна, широкая — к стенкам проёма. Саморезы надо стараться вкручивать точно в центр профиля без наклона, контролируя визуально плотность прилегания старта к раме.
Существует и «бесстартовый» способ установки откосов. В этом случае панели, наподобие подоконника, заводятся за раму на несколько миллиметров и плотно прижимаются к ней каким-нибудь упругим материалом, например, кусочками высохшей пены. После этого зазор между задним краем панели и стенкой проёма равномерно пропенивается изнутри, чтобы пена надёжно зафиксировала откос. Снаружи линия примыкания панели к раме промазывается герметиком. К сожалению такой стык недолго сохраняет свой первоначальный безупречный вид и в скором времени либо темнеет, если использовался силикон, либо трескается ( жидкий пластик ).
Стартовый профиль лишён этого недостатка, и при его использовании герметик будет применён только к стыкам панелей между собой (наверху) и к стыкам панелей с подоконником (внизу). По желанию нижний край боковых панелей тоже можно обрамить стартовым профилем, тогда герметик будет применён только к верхним стыкам:

В этом случае желательно состыковать боковые старты (на раме) с нижними (на панелях) под углом 45°. Для этого надо заранее подготовить нижние концы боковых стартов — обрезать их под углом 45°, как на следующем рисунке:
Верхние стыки между панелями откосов лучше не обрамлять стартовым профилем, а промазать жидким пластиком , так как сверху откосы менее всего подвержены деформации от температурных перепадов, и растрескивание герметика ( жидкого пластика ) там почти исключено. А аккуратно промазанный герметиком стык смотрится, поверьте, более красиво, чем обрамлённый стартовым профилем.
Вообще, рекомендую использовать старт только по периметру окна, а прочие стыки (откосы между собой и с подоконником) обрабатывать жидким пластиком. Позже в процессе эксплуатации окна растрескивающийся герметик при необходимости можно будет периодически реставрировать (обновлять).
И последнее о стартовом профиле, точнее, об L-старте : удобнее всего прикрутить его к раме до того, как будет наклеиваться пароизоляция и производиться запенивание монтажного шва — сразу после закрепления рамы и установки подоконника. Дело в том, что в этом случае ничто не будет мешать установке старта ровно вдоль края рамы. Если же делать это после высыхания пены, то, наверняка, край рамы будет перекрыт растянувшейся пароизоляционной лентой, распёртой изнутри затвердевшей пеной.
Саморезы для стартового профиля. Шурупы и саморезы, используемые в производстве ПВХ окон и дверей
Для производства ПВХ окна используется 4 основные вида шурупов и саморезов:1 Саморезы для крепления фурнитуры


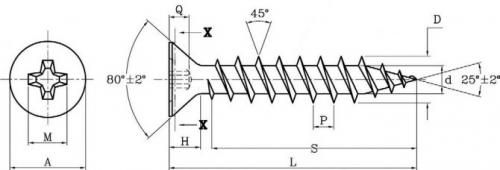
Саморез имеет: острый наконечник, резьбу с редким шагом по всей длине самореза, потайную головку со шлицем PH2. Головка шурупа может быть с насечками и без насечек.
Основные типоразмеры: 4х25мм, 4х30мм, 4.1х25мм, 4.1х30мм, 4.2х25мм, 4.2х30мм
Назначение данного вида крепежа — крепление фурнитуры к профилю ПВХ.
2 Саморезы для крепления армирующего профиля


Саморез имеет: наконечник с буром, резьбу с частым шагом по всей длине самореза, потайную головку со шлицем PH2. Головка шурупа может быть с насечками и без насечек.
Основные типоразмеры: 3.9х16мм, 3.9х19мм, 3.9х25мм
Назначение данного вида крепежа — крепление металлического армирующего профиля к профилю ПВХ.
3 Саморезы для крепления петлевой группы
Данные саморезы предназначены для крепления петлевой группы к профилю ПВХ. По конструктиву схожи с саморезами для крепления фурнитуры либо с саморезами для крепления армирующего профиля (в зависимости от того, используется саморез с буром или с острым наконечником)
Основные типоразмеры: 3.9×32мм, 3.9×38мм, 4х30мм, 4х35мм, 4х40мм, 4.2х30мм, 4.2х35мм, 4.2х40мм
4 Универсальные шурупы и саморезы для крепления механического соединителя импоста к импосту.
Данный крепеж может иметь различные типы головок: потайная, полукруглая либо с пресс-шайбой. Шлиц PZ2/PZ3 либо PH2/PH3, резьба полная либо не полная.
Основные типоразмеры: 6х70мм, 6.3х70мм, 5х70мм, 5х90мм
Шуруп – это винт, легко вворачивающийся в любой мягкий материал, образуя в нем резьбу. К таким материалам относятся пластик и дерево.
Резьба шурупа имеет редкий шаг и наносится на резьбовой участок шурупа в виде конической формы, который к окончанию шурупа сужается. Резьба на шурупах может нарезаться по всей его длиннее или только по его части.
Шурупы бывают разных размеров и напрямую зависят от его предназначения. Такой крепеж имеет различный вид головки. Это так же зависит от его применяемости.
Для вкручивания шурупа в материал требуется предварительно просверлить отверстие меньшего диаметра, чем сам шуруп.
Саморез — по своим характеристикам и внешнему виду похож на шуруп, но имеет несколько отличий:
1. саморез более прочный
2. резьба всегда полностью покрывает цилиндрическую часть самореза
3. наконечник самореза более острый, чем наконечник шурупа
4. шаг резьбы может быть редким, частым или комбинированным.
5. для вкручивания самореза не требуется предварительное сверление отверстия.
При вкручивании утапливается в материал таким образом, чтобы не было выступающих частей. Основная масса крепежа используемого в производстве ПВХ конструкций имеет именно такой вид головки. На конусную часть потайной головки могут быть нанесены специальные насечки. Они служат для снятия стружки с поверхности примыкания головки к материалу, которая образуется при вкручивании самореза или шурупа. Насечки также служат в качестве стопора, если для вкручивания используются специальные автоматы.
Благодаря широкой несущей поверхности, эффективно удерживает закрепляемый элемент. Использование такой головки оправдано, когда нет особой необходимости сохранять ровной поверхность закрепляемого элемента.
Головка с пресс-шайбой
Такой вид головки, как и предыдущий, имеет широкую несущую поверхность и малую высоту. Благодаря увеличенной несущей поверхности данный вид головки хорошо подходит для надежного крепления листовых материалов. Некоторые производители используют крепеж с такой головкой для фиксации пластиковых механических соединений в таких профилях, как Rehau, Brusbox.
Как крепить п-образный профиль. Для создания каркасов
Есть профиль для гипсокартона следующих видов:
- Направляющий. Обозначается как ПН (UD) (расшифровка — профиль направляющий). В сечении П-образный, с гладкими боковыми стенками. Используется как основа-опора для стоек и перемычек. Крепится по периметру конструкции, в него потом устанавливаются все остальные элементы системы. Размеры:
- 28*27 мм;
- 50*40 мм;
- 65*40 мм;
- 75*40 мм;
- 100*40 мм.

Направляющий профиль для гипоскартона отличить можно по гладким полочкам
- Стоечный. Обозначается ПС (CD) — профиль стоечный. Вставляется в направляющие, к нему и крепятся ГКЛ. Соответственно, несет основную нагрузку и должен иметь высокую жесткость. Имеет П-образное строение с дополнительными полочками и ребрами жесткости, которые и придают ему большую жесткость. Размеры:
- 50*50 мм;
- 65*50 мм;
- 75*50 мм;
- 100*50 мм.

Стоечный профиль для гипоскартона имеет дополнительные ребра жесткости и полочки
- Потолочный. Обозначается ПП и ППН. Соответственно — направляющий и несущий потолочный профиль. Потолочный направляющий имеет сечение в виде буквы «П», имеет меньшее сечение чем стеновой. Потолочный несущий профиль — имеет полки и ребра жесткости, но отличается полочками меньшей высоты. Меньшая высота, чтобы меньше «отбирать» высоты у помещения и что потолочный гипсокартон имеет меньшую толщину, создает меньшую нагрузку на каркас.
- 60*27 мм — ПП;
- 28*27 мм — ППН.

Потолочный профиль тоже бывает направляющий и несущий. Отличаются меньшими размерами (по сравнению со стеновыми)
- Арочный. Имеет сложное строение — с разрезами на боковых гранях для повышенной гибкости. Необходим для создания изогнутых поверхностей.
Профиль для откосов пластиковых окон. Удобная отделка откосов с f профилем пвх
Пластиковые окна в наше время устанавливаются в каждой квартире или частном доме. Они надежно закрепили свое пребывание на строительном рынке и стали незаменимыми в жизни любого человека. Для безупречного внешнего вида нужно не только правильно установить окна, но и качественно обработать откосы. На первый взгляд все достаточно просто, но когда пришло время заняться их отделкой, я столкнулся с некоторыми тонкостями. Я решил использовать ф профиль для откосов и хочу рассказать вам о технологии применения этой планки. Однако существует еще несколько способов отделать оконные откосы.
F-профиль для отделки откоса
Способы отделки откосов
ПВХ и F-профиля для отделки наружного откоса
Откосы бывают внутренними и наружными, и оба этих вида требуют правильной отделки. Конечно, их оформление несет эстетичный характер, ведь внешний вид играет большую роль. Однако это необходимо не только для красоты. Пена, которой заполняется пространство между окном и стеной дома нужно защитить от неблагоприятных условий. Всем известно, что она боится влаги и имеет свойство ее впитывать, после чего разбухает и деформирует пластиковое окно.
Существует несколько способов облагородить внешний вид оконного пространства:
- Оштукатуривание – старый способ отделки, который отнимает много времени и сил. К сожалению он не обладает свойством тепло- и звукоизоляции и со временем может отойти ото поверхности из-за усадки дома. Так как отделочная работа проходит в несколько этапов и требует последующего окрашивания, я решил, что не буду заморачиваться, используя такой вариант.
- Гипсокартоновые – такой вариант лучше, чем первый и если утеплить такие откосы, о они прослужат дольше и будут сохранять тепло в доме. Но один существенный минус заставил меня отказаться от использования гипсокартона – это боязнь влаги. Обязательным условием долгой службы является сухое помещение, в котором присутствует низкий уровень влажности. Да и монтаж таких откосов недалеко ушел от штукатурки, а я уже говорил, что заморачиваться не хотелось-бы.
- Из пвх панелей – простой и доступный способ, который сразу мне приглянулся. Длительный срок службы и быстрая установка подтолкнули меня к выбору пластиковых откосов, а главное – они не боятся влаги.
Важно! Использование пвх панелей очень уместно для пластиковых окон, такое сочетание будет смотреться достаточно гармонично и к тому же существуют профили пвх, которые помогут завершить и сделать процесс отделки удобным и быстрым.
Когда я решил, какой способ буду использовать, то оставалось познакомиться сдополнительными комплектующими для пвх, и узнать технологию монтажа.
fпрофиль и область его применения
Установка откосов на окна ПВХ
Для полной облицовки пвх панелями используют различные доборные элементы, которые помогают качественно и правильно выполнить монтаж. fпрофиль является одним из
этих элементов, который внешне выглядит как планка, срез которой напоминает букву «F». Торцы пластины, во время проведения монтажа надежно фиксируются в пазах профиля. Ф профиль служит для выполнения двух функций:
- Декоративное оформление торцов отделки
- Выравнивание общей плоскости
Готовый пластиковый откос
Профиль fобразный это финишная облицовка оконного пространства, которая сопутствует хорошему примыканию пвх панелей к стенам. Так же его можно использовать для дверных проемов. Удобство применения f планки обусловлено тем, что для ее монтажа не требуется применение клеевого раствора, как в случае с ластиковым уголком. То есть, когда я буду клеить обои, нужно будет просто снять f планку с откоса, а по завершении оклейки вставить ее на место. С помощью f профиля состыковывают не только пвх панели, но и плоскости неодинаковых материалов. Если его использовать в роли стартового профиля, то одна его сторона прижмется к стене, а другая к откосу. Во время проведения отделки своими руками, ф образный профиль легко разрезать на нужные планки. Для этого можно использовать ножовку по металлу, болгарку или нож для бумаги.
Я выделил достаточное количество преимуществ f профиля пвх:
- Не желтеет порядка 10 лет и является светостойким.
- Эластичен и не хрупок.
- Содержит минимальное количество мела.
- Имеет полукруглый хвостик, который отлично ложится даже на кривые стены.
- Сколы и трещины не появляются после разрезания планки.
Двух створчатое окно с форточкой в панельный дом из 5 камерного профиля
Мне понравилось, что применять профиль можно как для пвх, так и длясэндвич панелей. Являясь универсальным, он способен прослужить достаточно долго.
Важно! Бывает, что f планку сажают на клей – это недопустимое действие, потому что по истечении некоторого времени могут образоваться щели, через которые в дом попадет холод. К тому же профиль и известен тем, что его не нужно закреплять с помощью вспомогательных средств.


